20
2024.8
作者
753
阅读量
自攻牙套应用,自攻牙套安装于低强度螺丝孔内可以提高螺丝孔的强度,可以提高螺丝孔的使用性能,延长螺丝孔的使用寿命。
自攻牙套应用的八大性能
1:自攻牙套是高强度紧固件,可用于螺丝孔内提高螺丝孔的强度,对螺丝孔进行保护,防止螺丝孔受到损坏。
2:自攻牙套可以自攻螺纹,安装不需要使用丝锥攻螺纹。
3:安装速度快,在安装的过程中出现不佳品情况几乎为零。
4:当有螺纹受损时,可以使用自攻牙套进行修复。
5:其材质有不锈钢与碳钢两种,
6:其螺纹的种类有公制螺纹与英制螺纹,自攻牙套也可用于螺纹互换。
7:自攻牙套有3种不同的长度:302型(开槽型)、307型(三孔型)、308型(三孔型)。
8:在螺丝孔内安装自攻牙套,可以防止螺丝孔被锈结。
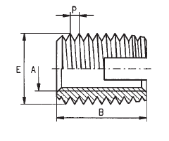
产品图 – 带排屑孔
三圆型适用于需要高负载情况下,使用在具有高剪切力的材料上. (铝,铝合金,镁合金, 硬质塑料等)
产品尺寸及安装盲孔要求 单位mm
内螺纹 | 外螺纹 | 长度 | 盲孔最小深度 | 底孔直径 | ||
A | E | P | B | T | Max | Min |
M3 | 5 | 0.6 | 4/6 | 6/8 | 4.7 | 4.6 |
M3.5 | 6 | 0.8 | 5/8 | 7/10 | 5.6 | 5.5 |
M4 | 6.5 | 0.8 | 6/8 | 8/10 | 6.1 | 6.0 |
M5 | 8 | 1 | 7/10 | 9/13 | 7.6 | 7.4 |
M6 | 10 | 1.25 | 8/12 | 10/15 | 9.5 | 9.3 |
M8 | 12 | 1.5 | 9/14 | 11/17 | 11.3 | 11.1 |
M10 | 14 | 1.5 | 10/18 | 13/22 | 13.3 | 13.1 |
M12 | 16 | 1.75 | 12/22 | 15/26 | 15.2 | 15.0 |
M14 | 18 | 2 | 14/24 | 17/28 | 17.2 | 17.0 |
M16 | 20 | 2 | 14/24 | 17/28 | 19.2 | 19.0 |
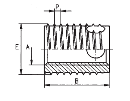
产品图 – 带割槽
开槽型适用于需要具有高负载场合, 使用在低剪切强度的材料上. (轻质合金, 铸铁,有色金属, 塑料,层压材料, 硬木等)
产品尺寸及安装盲孔要求 单位mm
内螺纹 | 外螺纹 | 长度 | 盲孔最小深度 | 底孔尺寸 | ||
A | E | P | B | T | Max | Min |
M2 | 4.5 | 0.5 | 6 | 8 | 4.2 | 4.1 |
M2.5 | 4.5 | 0.5 | 6 | 8 | 4.2 | 4.1 |
M3 | 5 | 0.5 | 6 | 8 | 4.7 | 4.6 |
M3.5 | 6 | 0.75 | 8 | 10 | 5.6 | 5.5 |
M4 | 6.5 | 0.75 | 8 | 10 | 6.1 | 6.0 |
M5 | 8 | 1 | 10 | 13 | 7.5 | 7.3 |
M6 | 10 | 1.5 | 14 | 17 | 9.2 | 9.0 |
M8 | 12 | 1.5 | 15 | 18 | 11.2 | 11 |
M10 | 14 | 1.5 | 18 | 22 | 13.2 | 13.0 |
M12 | 16 | 1.5 | 22 | 26 | 15.2 | 15.0 |
M14 | 18 | 1.5 | 24 | 28 | 17.2 | 17.0 |
M16 | 20 | 1.5 | 22 | 27 | 19.2 | 19.0 |
M18 | 22 | 1.5 | 24 | 29 | 21.2 | 21.0 |
M20 | 26 | 1.5 | 27 | 32 | 25.2 | 25.0 |
M22 | 26 | 1.5 | 30 | 36 | 25.2 | 25.0 |
M24 | 30 | 1.5 | 30 | 36 | 29.2 | 29.0 |
M27 | 34 | 1.5 | 30 | 36 | 33.2 | 33.0 |
M30 | 36 | 1.5 | 40 | 46 | 35.2 | 35.0 |
切割示意图
外牙接触面大小对应的负载数据
22大类工业框体零部件
品类齐全
支持定制
在线选型
1V1客服